Yueqing Face Electric Co., Ltd.
Yueqing Face Electric Co., Ltd.
محصولات
رله 100 آمپری 4P نوع ریل تک فاز
  • رله 100 آمپری 4P نوع ریل تک فازرله 100 آمپری 4P نوع ریل تک فاز
  • رله 100 آمپری 4P نوع ریل تک فازرله 100 آمپری 4P نوع ریل تک فاز

رله 100 آمپری 4P نوع ریل تک فاز

رله گیر 4P تک فاز 100A که توسط Face Electric تولید می شود دارای ظرفیت حمل جریان عالی و مقاومت نمونه برداری کم است که می تواند الزامات عملکرد بالا در کاربردهای الکتریکی مدرن را برآورده کند. این رله با استفاده از فناوری پیشرفته اتصال مغناطیسی، تقریباً هیچ برقی در حالت نگهداری مصرف نمی‌کند، که یک راه‌حل ایده‌آل برای ارتقای مدیریت انرژی هوشمند پایدار است.

نوع:رله ریلی 100A تک فاز 4P نوع چفت

جریان نامی:100A

ولتاژ محرک:6VDC-48VDC

مقاومت نمونه برداری:200 میکرو اهم (μΩ)

روش نصب:نصب استاندارد ریل DIN

محدوده دمای عملیاتی:-20 تا 60 درجه سانتی گراد

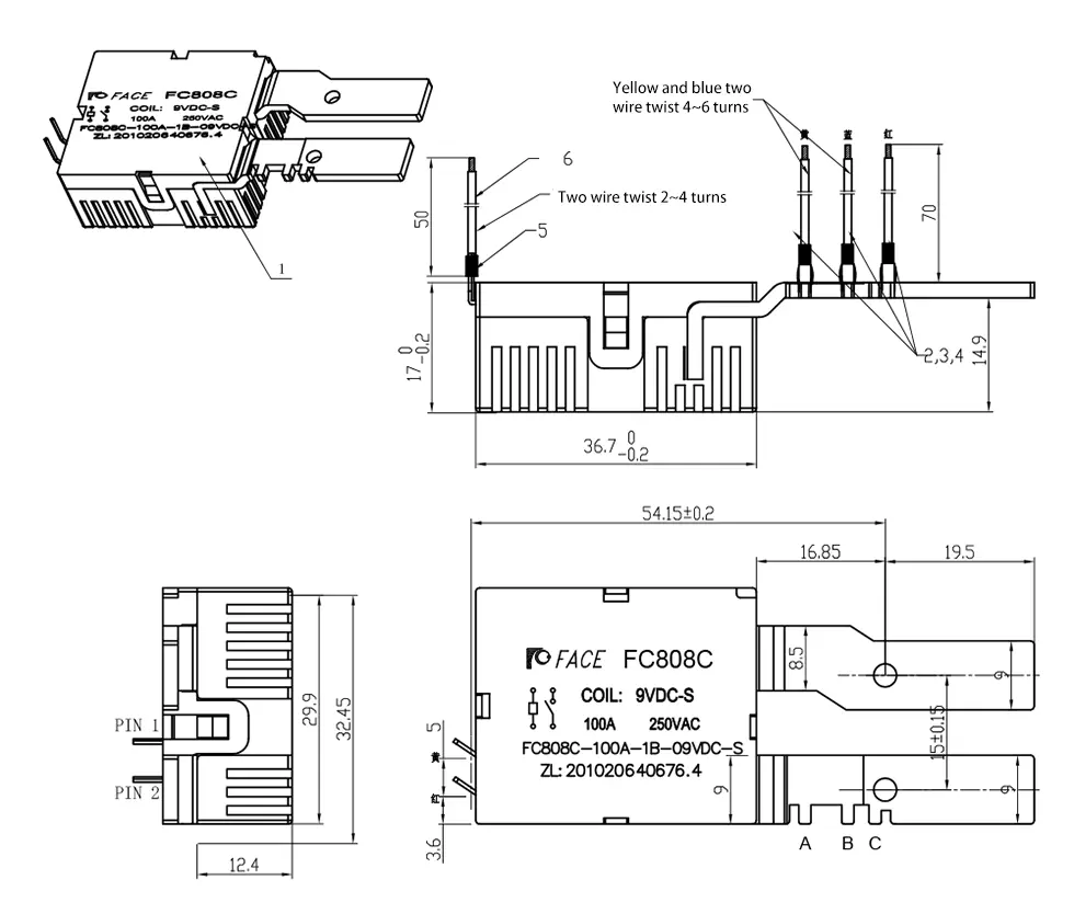
ابعاد:نقشه های محصول را برای ابعاد خاص ببینید

این رله ریلی 4P تک فاز 100 آمپری که برای سیستم های برق هوشمند طراحی شده است، راه حلی قابل اعتماد برای مدیریت جریان جریان ارائه می دهد. طراحی چهار کنتاکتی کیس آن را قادر می سازد تا به راحتی چندین خروجی را کنترل کند، و برای استفاده در سناریوهایی که نیاز به مدیریت همزمان چندین بار دارند، مناسب است. طراحی ریلی این رله فرآیند نصب را بسیار ساده می کند و آن را به گزینه ای ایده آل برای کابینت های برق و سیستم های کنترل خودکار تبدیل می کند. این محصول می تواند دمای عملیاتی 20- تا 60 درجه سانتی گراد را تحمل کند و اطمینان و پایداری آن را در محیط های مختلف تضمین می کند. پس از آزمایش های دقیق، رله می تواند به طور معمول تحت شرایط کاری مختلف عمل کند تا نیازهای سیستم های قدرت هوشمند را بهتر برآورده کند.

(مشخصات کویل)20℃

ولتاژ
(VDC)
 مقاومت سیم پیچ
      (Q)±10%
توان سیم پیچ (W) عملیاتی
ولتاژ (VDC)
رها کردن
ولتاژ
(VDC)
ولتاژ مجاز
(VDC)
مجرد دوبل مجرد دوبل
81.0  40.5/40.5 1.00  2.00  ≤6.3 ≤6.3 48 
12  144.0  72/72 ≤8.4 ≤8.4 60 
24  576.0  288/288 ≤16.8 ≤16.8 120 

(مشخصات تماس)

(فرم تماس) 1B
(مواد تماس) (آلیاژ نقره)
(افت ولتاژ تماس 10A) حداکثر 15 میلی ولت
(رده‌بندی تماس) 100A   250VAC
(حداکثر ولتاژ سوئیچینگ) 250 VAC
(حداکثر جریان سوئیچینگ) 100A
(حداکثر قدرت سوئیچینگ) 25000VA
(عمر خدمات) (مکانیکی) 5×105 OPS
(برق) 1×10⁴OPS

(ویژگی ها)

(زمان کار) حداکثر 20 میلی‌ثانیه
(زمان انتشار) حداکثر 20 میلی‌ثانیه
(قدرت دی الکتریک) (50/60 هرتز، 1 دقیقه)
(تماس و سیم پیچ) 6000VAC
(تماس و تماس) 1500VAC
(FIELD&FIELD)
(مقاومت عایق، 500 VDC) حداقل 1000MQ
(وزن) 40 گرم
(بعد کلی) (در نقاشی)

تگ های داغ: رله 100 آمپری 4P نوع ریل تک فاز
ارسال استعلام
اطلاعات تماس
  • نشانی

    شماره 6، جاده جیدا، شهر لیوشی، شهر یوئکینگ، شهر ونژو، استان ژجیانگ، چین

  • پست الکترونیک

    lydia@face-relay.com

به وب سایت ما خوش آمدید! برای پرس و جو در مورد محصولات یا لیست قیمت، لطفا ایمیل خود را برای ما بگذارید و ما ظرف 24 ساعت با شما تماس خواهیم گرفت.
X
ما از کوکی ها استفاده می کنیم تا تجربه مرور بهتری به شما ارائه دهیم، ترافیک سایت را تجزیه و تحلیل کنیم و محتوا را شخصی سازی کنیم. با استفاده از این سایت، شما با استفاده ما از کوکی ها موافقت می کنید. سیاست حفظ حریم خصوصی
رد کردن قبول کنید